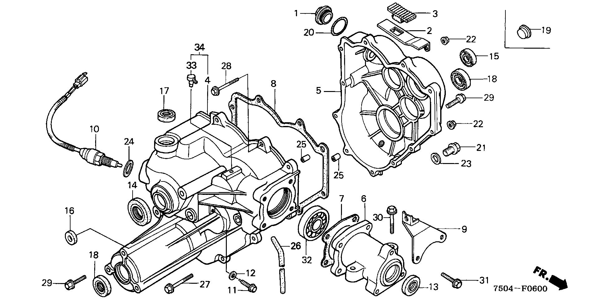
Lawn Tractor HT HT4213 HT4213 SA MAAT-5000001-5099999 TRANSMISSION CASE - Blue Mountain Small Engine & Repair

Ref No
Part Number
Description
Serial Range
Qty
Price

Ref No
1
Part Number
12361-300-000
Description
CAP, VALVE ADJ.
Serial Range
5009128 - 9999999

Ref No
2
Part Number
17505-750-000
Description
STAY, TANK CUSHION RUBBER
Serial Range
5009128 - 9999999

Ref No
3
Part Number
17507-750-000
Description
RUBBER, TANK CUSHION
Serial Range
1000001 - 9999999

Ref No
5
Part Number
21200-750-010
Description
CASE, L. TRANSMISSION
Serial Range
1000001 - 9999999

Ref No
6
Part Number
21210-750-000
Description
HOLDER, INPUT SHAFT
Serial Range
1000001 - 9999999
Qty
Price
$130.56

Ref No
7
Part Number
21211-750-000
Description
GASKET, INPUT SHAFT HOLDER (NOT AVAILABLE)
Serial Range
1000001 - 9999999

Ref No
8
Part Number
21215-750-000
Description
GASKET, TRANSMISSION CASE (NOT AVAILABLE)
Serial Range
1000001 - 9999999

Ref No
9
Part Number
24138-750-A00
Description
HOLDER, CLUTCH CABLE
Serial Range
1000001 - 9999999

Ref No
10
Part Number
35600-750-003
Description
SWITCH ASSY., NEUTRAL
Serial Range
1000001 - 9999999

Ref No
11
Part Number
90010-750-000
Description
BOLT, SPECIAL (6MM) (NOT AVAILABLE)
Serial Range
1000001 - 9999999

Ref No
12
Part Number
90478-700-000
Description
WASHER A (6MM)
Serial Range
1000001 - 9999999
Qty
Price
$0.94

Ref No
13
Part Number
91201-896-701
Description
OIL SEAL (20X34X6)
Serial Range
1000001 - 9999999
Qty
Price
$12.68

Ref No
14
Part Number
91202-750-003
Description
OIL SEAL (27X38X7) (ARAI)
Serial Range
1000001 - 9999999

Ref No
14
Part Number
91202-750-004
Description
OIL SEAL (27X38X7) (NOK) (NOT AVAILABLE)
Serial Range
1000001 - 9999999

Ref No
16
Part Number
91203-750-003
Description
OIL SEAL (12X18X4) (ARAI)
Serial Range
1000001 - 9999999
Qty
Price
$5.06

Ref No
16
Part Number
91203-750-004
Description
OIL SEAL (12X18X5) (NOK)
Serial Range
1000001 - 9999999

Ref No
17
Part Number
91204-259-003
Description
OIL SEAL (16X28X7) (ARAI)
Serial Range
1000001 - 9999999

Ref No
18
Part Number
91251-750-003
Description
OIL SEAL (25X34X7) (NOT AVAILABLE)
Serial Range
1000001 - 9999999

Ref No
19
Part Number
91255-750-A01
Description
GROMMET, L. TRANSMISSION CASE (NOT AVAILABLE)
Serial Range
1000001 - 9999999

Ref No
20
Part Number
91302-001-020
Description
O-RING (30.8MM)
Serial Range
1000001 - 9999999
Qty
Price
$4.56

Ref No
21
Part Number
92800-12000
Description
BOLT, DRAIN PLUG (12MM)
Serial Range
1000001 - 9999999
Qty
Price
$4.72

Ref No
22
Part Number
94050-06080
Description
NUT, FLANGE (6MM)
Serial Range
1000001 - 9999999

Ref No
23
Part Number
94109-12000
Description
WASHER, DRAIN PLUG (12MM)
Serial Range
1000001 - 9999999
Qty
Price
$1.50

Ref No
24
Part Number
94109-14000
Description
WASHER, DRAIN PLUG (14MM)
Serial Range
1000001 - 9999999
Qty
Price
$0.78

Ref No
25
Part Number
94301-08140
Description
PIN, DOWEL (8X14)
Serial Range
1000001 - 9999999
Qty
Price
$2.74

Ref No
26
Part Number
95005-50003-30M
Description
BULK HOSE, VACUUM (5X3000) (5X235) (5X265)
Serial Range
1000001 - 9999999
Qty
Price
$29.44

Ref No
27
Part Number
95701-06040-08
Description
BOLT, FLANGE (6X40)
Serial Range
1000001 - 9999999
Qty
Price
$2.30

Ref No
28
Part Number
95701-06045-08
Description
BOLT, FLANGE (6X45)
Serial Range
1000001 - 9999999
Qty
Price
$2.64

Ref No
29
Part Number
95701-10025-08
Description
BOLT, FLANGE (10X25)
Serial Range
1000001 - 9999999
Qty
Price
$2.80

Ref No
30
Part Number
95701-08032-08
Description
BOLT, FLANGE (8X32)
Serial Range
1000001 - 9999999
Qty
Price
$2.78

Ref No
31
Part Number
95801-08028-00
Description
BOLT, FLANGE (8X28)
Serial Range
1000001 - 9999999
Qty
Price
$2.18

Ref No
32
Part Number
96100-62040-00
Description
BEARING, RADIAL BALL (6204)
Serial Range
1000001 - 9999999
Qty
Price
$15.82

Ref No
33
Part Number
11106-GM2-300
Description
JOINT, BREATHER
Serial Range
1000001 - 9999999
Qty
Price
$8.34

Ref No
34
Part Number
21100-750-010
Description
CASE, R. TRANSMISSION
Serial Range
1000001 - 9999999