Generators EX EX350 EX350 A/A ECC-1178333-9999999 FUEL TANK - Blue Mountain Small Engine & Repair

Ref No
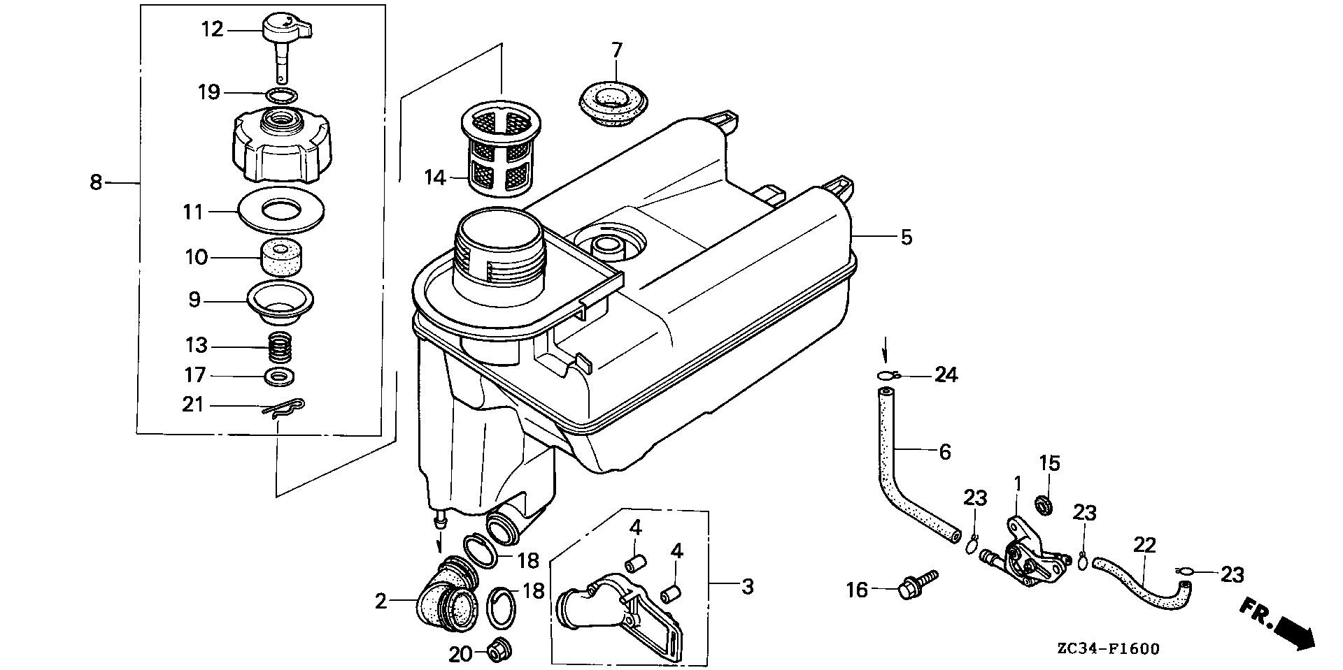
Part Number
Description
Serial Range
Qty
Price

Ref No
1
Part Number
16950-ZC3-025
Description
PETCOCK ASSY. (NOT AVAILABLE)
Serial Range
1068107 - 9999999

Ref No
2
Part Number
17251-ZC3-000
Description
TUBE, AIR CLEANER CONNECTING (NOT AVAILABLE)
Serial Range
1068107 - 9999999

Ref No
3
Part Number
17271-ZC3-000
Description
JOINT, AIR IN.
Serial Range
1000001 - 9999999

Ref No
4
Part Number
17272-ZC3-300
Description
COLLAR, IN. JOINT
Serial Range
1000001 - 9999999
Qty
Price
$3.54

Ref No
5
Part Number
17510-ZC3-010
Description
TANK, FUEL
Serial Range
1000001 - 9999999

Ref No
6
Part Number
17513-ZC3-000
Description
TUBE, FUEL (NOT AVAILABLE)
Serial Range
1000001 - 9999999
Qty
Price
$4.98

Ref No
7
Part Number
17555-ZC3-000
Description
RUBBER, CONNECTOR SEALING (NOT AVAILABLE)
Serial Range
1000001 - 9999999

Ref No
8
Part Number
17620-ZC3-040
Description
CAP ASSY., FUEL TANK
Serial Range
1000001 - 9999999

Ref No
9
Part Number
17622-ZC3-000
Description
INNER, FUEL CAP (NOT AVAILABLE)
Serial Range
1000001 - 9999999

Ref No
10
Part Number
17623-ZV0-000
Description
SPONGE, FUEL CAP BREATHER
Serial Range
1000001 - 9999999
Qty
Price
$1.98

Ref No
11
Part Number
17625-ZV0-000
Description
GASKET, FUEL CAP
Serial Range
1000001 - 9999999
Qty
Price
$4.08

Ref No
12
Part Number
17626-ZC3-010
Description
VALVE, BREATHER
Serial Range
1162712 - 9999999

Ref No
12
Part Number
17626-ZC3-020
Description
VALVE, BREATHER (NOT AVAILABLE)
Serial Range
1203804 - 9999999

Ref No
13
Part Number
17629-ZV0-000
Description
SPRING, FUEL CAP
Serial Range
1000001 - 9999999
Qty
Price
$2.78

Ref No
14
Part Number
17670-ZC3-700
Description
FILTER, FUEL
Serial Range
1000001 - 9999999
Qty
Price
$15.86

Ref No
15
Part Number
18292-GY1-860
Description
GASKET, MUFFLER PROTECTOR
Serial Range
1000001 - 9999999
Qty
Price
$3.94

Ref No
16
Part Number
90012-896-750
Description
BOLT, FLANGE (5X14)
Serial Range
1000001 - 9999999
Qty
Price
$1.54

Ref No
17
Part Number
90539-836-000
Description
WASHER (6MM)
Serial Range
1000001 - 9999999
Qty
Price
$2.98

Ref No
18
Part Number
90851-ZC3-000
Description
CLIP (28MM)
Serial Range
1000001 - 9999999
Qty
Price
$3.90

Ref No
19
Part Number
91362-ZC3-000
Description
O-RING (13.8X2.4) (N/A: SEE ASSEMBLY)
Serial Range
1000001 - 9999999

Ref No
20
Part Number
94050-06000
Description
NUT, FLANGE (6MM)
Serial Range
1000001 - 9999999

Ref No
21
Part Number
94251-06000
Description
PIN, LOCK (6MM)
Serial Range
1000001 - 9999999
Qty
Price
$1.26

Ref No
22
Part Number
95001-45003-60M
Description
BULK HOSE, FUEL (4.5X3000) (4.5X65)
Serial Range
1000001 - 9999999
Qty
Price
$51.76

Ref No
23
Part Number
95002-02080
Description
CLIP, TUBE (B8)
Serial Range
1000001 - 9999999
Qty
Price
$2.20

Ref No
24
Part Number
95002-50000
Description
CLIP, TUBE (C9)
Serial Range
1000001 - 9999999
Qty
Price
$1.58