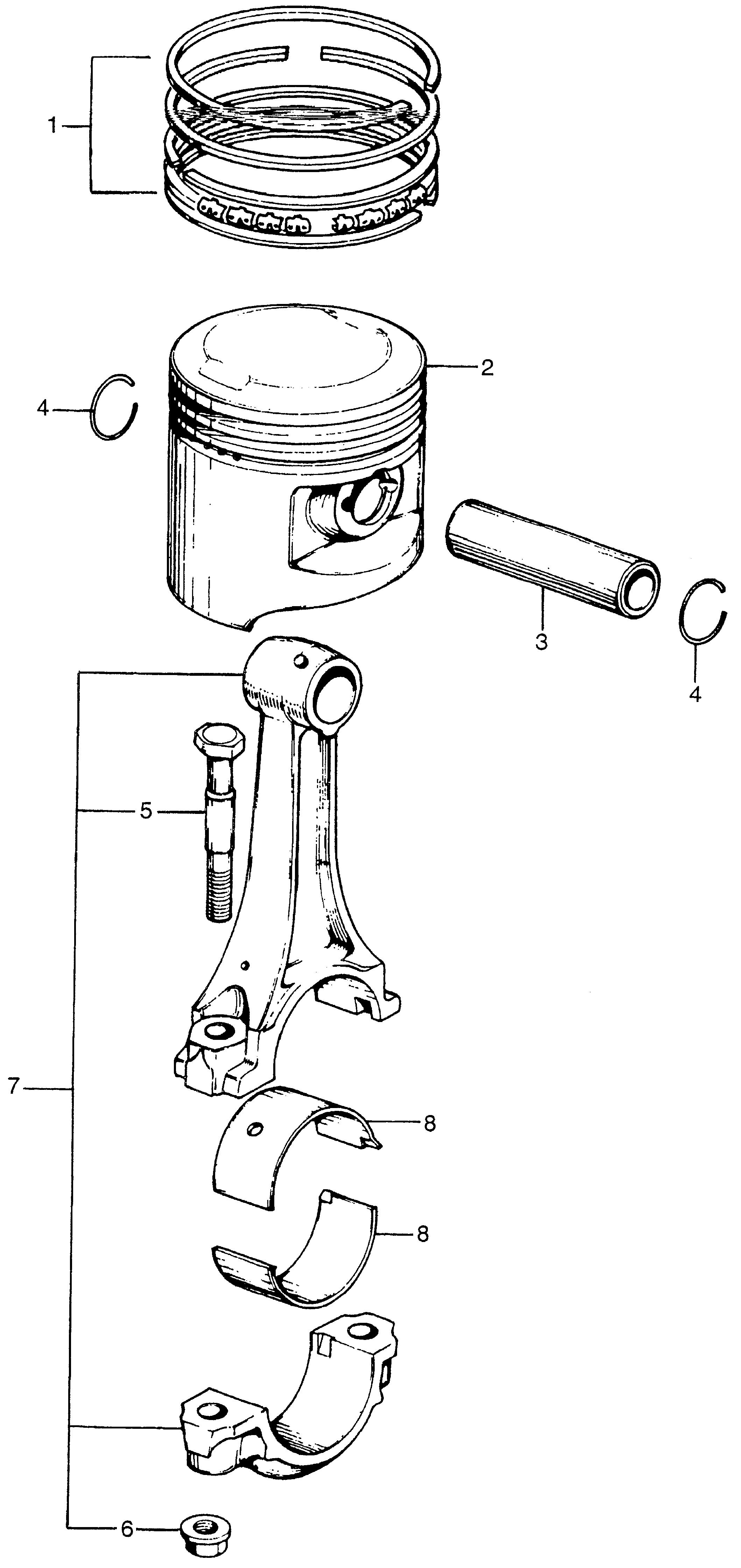
Generators EM EM5000 EM5000 A EM5000-1000016-9999999 PISTON@CONNECTING ROD - Blue Mountain Small Engine & Repair

Ref No
Part Number
Description
Serial Range
Qty
Price

Ref No
1
Part Number
13011-611-003
Description
RING SET, PISTON (STD) (NOT AVAILABLE)
Serial Range
1000001 - 9999999

Ref No
1
Part Number
13021-611-003
Description
RING SET, PISTON (OVER SIZE) (0.25) (NOT AVAILABLE)
Serial Range
1000001 - 9999999

Ref No
1
Part Number
13031-611-003
Description
RING SET, PISTON (OVER SIZE) (0.50) (NOT AVAILABLE)
Serial Range
1000001 - 9999999

Ref No
2
Part Number
13101-611-010
Description
PISTON (STD) (NOT AVAILABLE)
Serial Range
1000001 - 9999999

Ref No
2
Part Number
13102-611-010
Description
PISTON (OVER SIZE) (0.25) (NOT AVAILABLE)
Serial Range
1000001 - 9999999

Ref No
2
Part Number
13103-611-010
Description
PISTON (OVER SIZE) (0.50)(OVER SIZE) (NOT AVAILABLE)
Serial Range
1000001 - 9999999

Ref No
3
Part Number
13111-611-000
Description
PIN, PISTON (STD) (NOT AVAILABLE)
Serial Range
1000001 - 9999999

Ref No
3
Part Number
13112-611-000
Description
PIN, PISTON (0.1) (OVER SIZE)
Serial Range
1000001 - 9999999

Ref No
3
Part Number
13113-611-000
Description
PIN, PISTON (0.2) (OVER SIZE)
Serial Range
1000001 - 9999999

Ref No
3
Part Number
13114-611-000
Description
PIN, PISTON (0.3) (OVER SIZE)
Serial Range
1000001 - 9999999

Ref No
4
Part Number
13115-283-000
Description
CLIP, PISTON PIN
Serial Range
1000001 - 9999999
Qty
Price
$2.00

Ref No
4
Part Number
94601-17000
Description
CLIP, PISTON PIN (17MM)
Serial Range
1000001 - 9999999
Qty
Price
$2.00

Ref No
5
Part Number
13204-611-000
Description
BOLT, CONNECTING ROD (NOT AVAILABLE)
Serial Range
1000001 - 9999999

Ref No
6
Part Number
13205-611-000
Description
NUT, CONNECTING ROD (NOT AVAILABLE)
Serial Range
1000001 - 9999999

Ref No
7
Part Number
13210-611-000
Description
ROD ASSY. (NOT AVAILABLE)
Serial Range
1000001 - 9999999

Ref No
8
Part Number
13215-611-003
Description
BEARING, CONNECTING ROD (NOT AVAILABLE)
Serial Range
1000001 - 9999999

Ref No
8
Part Number
13216-611-003
Description
BEARING, CONNECTING ROD (NOT AVAILABLE)
Serial Range
1000001 - 9999999

Ref No
8
Part Number
13217-611-003
Description
BEARING, CONNECTING ROD (NOT AVAILABLE)
Serial Range
1000001 - 9999999

Ref No
8
Part Number
13218-611-003
Description
BEARING, CONNECTING ROD (NOT AVAILABLE)
Serial Range
1000001 - 9999999

Ref No
8
Part Number
13219-611-003
Description
BEARING, CONNECTING ROD (NOT AVAILABLE)
Serial Range
1000001 - 9999999