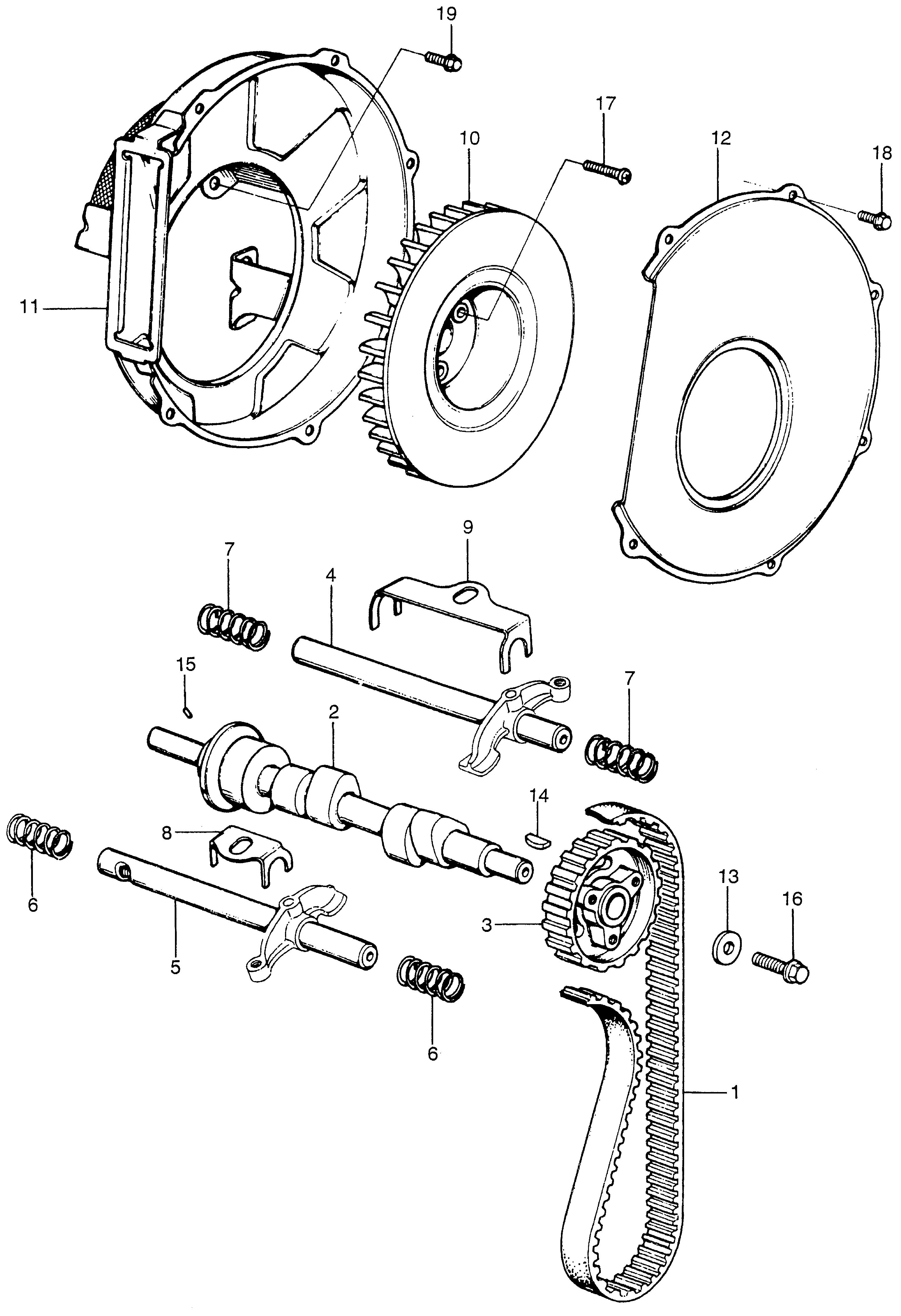
Generators EM EM5000 EM5000 A EM5000-1000016-9999999 CAMSHAFT@ROCKER ARM SHAFT@FAN - Blue Mountain Small Engine & Repair

Ref No
Part Number
Description
Serial Range
Qty
Price

Ref No
1
Part Number
01140-862-670P
Description
BELT KIT (NOT AVAILABLE)
Serial Range
1000001 - 9999999

Ref No
2
Part Number
14111-611-010
Description
CAMSHAFT
Serial Range
1000001 - 9999999

Ref No
3
Part Number
14321-862-000
Description
PULLEY, CAM
Serial Range
1000001 - 9999999

Ref No
4
Part Number
14631-611-000
Description
SHAFT, ROCKER ARM
Serial Range
1000001 - 9999999

Ref No
5
Part Number
14632-611-000
Description
SHAFT, EX. ROCKER ARM
Serial Range
1000001 - 9999999

Ref No
6
Part Number
14642-611-000
Description
SPRING, EX. ROCKER ARM (NOT AVAILABLE)
Serial Range
1000001 - 9999999

Ref No
7
Part Number
14643-611-000
Description
SPRING, IN. ROCKER ARM
Serial Range
1000001 - 9999999

Ref No
8
Part Number
14652-611-000
Description
WASHER, EX. THRUST
Serial Range
1000001 - 9999999

Ref No
9
Part Number
14661-611-000
Description
WASHER, IN. THRUST
Serial Range
1000001 - 9999999

Ref No
10
Part Number
19511-862-010
Description
FAN, COOLING
Serial Range
1000001 - 9999999

Ref No
11
Part Number
19610-862-050
Description
COVER, FAN
Serial Range
1000001 - 9999999

Ref No
12
Part Number
19621-862-000
Description
COVER, SIDE
Serial Range
1000001 - 9999999

Ref No
13
Part Number
90435-611-000
Description
WASHER, SPECIAL (28X8.5X4.0)
Serial Range
1000001 - 9999999
Qty
Price
$10.60

Ref No
14
Part Number
90705-611-000
Description
KEY, WOODRUFF (30x16.8MM) (NOT AVAILABLE)
Serial Range
1000001 - 9999999

Ref No
15
Part Number
90710-551-000
Description
PIN, KNOCK (3X6.5) (NOT AVAILABLE)
Serial Range
1000001 - 9999999

Ref No
16
Part Number
92101-08020-0H
Description
BOLT, HEX. (8X20)
Serial Range
1000001 - 9999999
Qty
Price
$2.16

Ref No
17
Part Number
93500-06028-0A
Description
SCREW, PAN (6X28)
Serial Range
1000001 - 9999999

Ref No
18
Part Number
95700-06010-08
Description
BOLT, FLANGE (6X10)
Serial Range
1000001 - 9999999
Qty
Price
$1.96

Ref No
18
Part Number
95701-06010-08
Description
BOLT, FLANGE (6X10)
Serial Range
1000001 - 9999999
Qty
Price
$1.96

Ref No
19
Part Number
95701-06012-08
Description
BOLT, FLANGE (6X12)
Serial Range
1000001 - 9999999
Qty
Price
$2.04