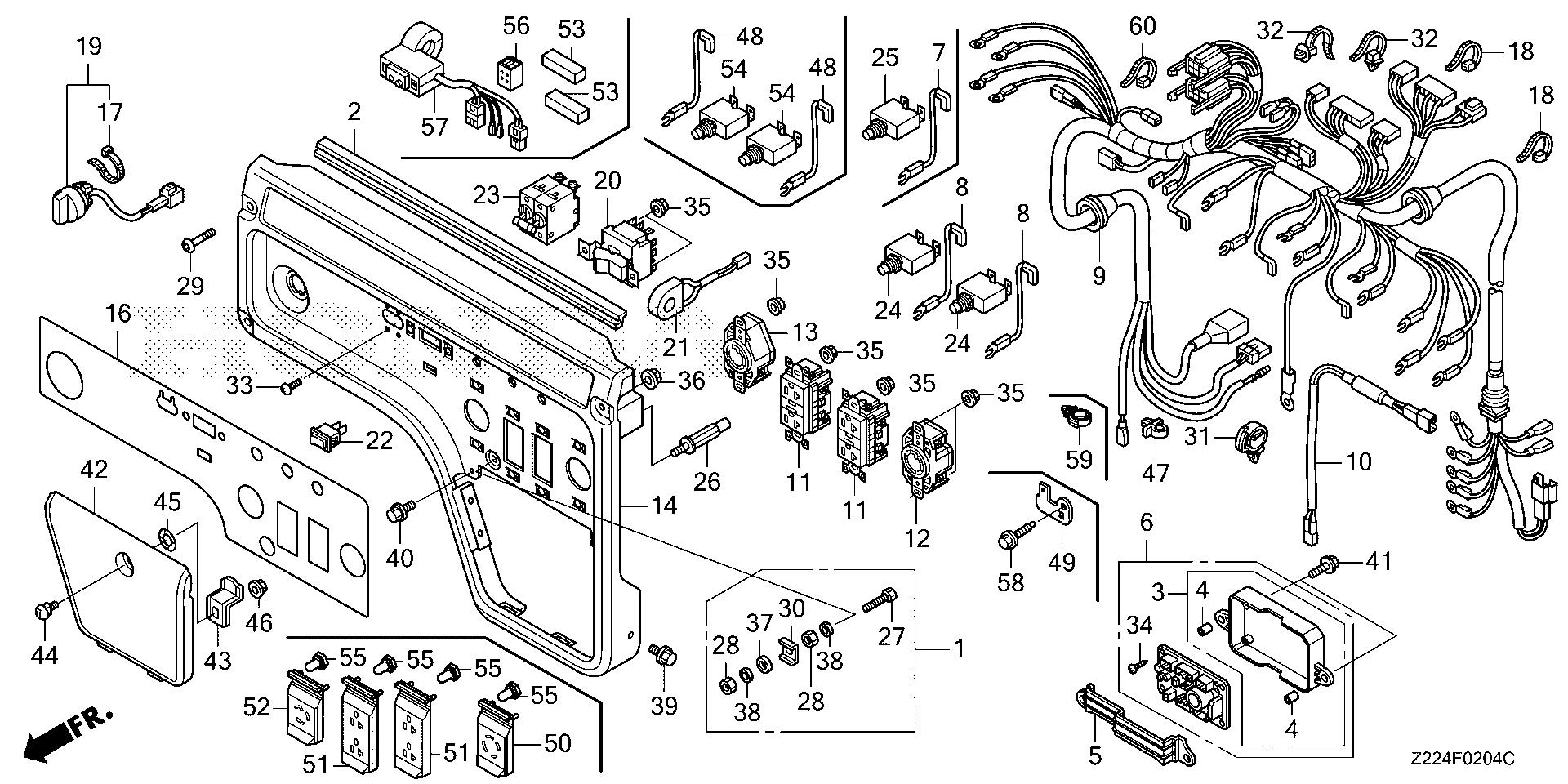
Generators EB EB6500 EB6500X1 AG EBLC-1500001-9999999 CONTROL PANEL (5) - Blue Mountain Small Engine & Repair

Ref No
Part Number
Description
Serial Range
Qty
Price

Ref No
1
Part Number
31428-Z22-000
Description
TERMINAL SET, GROUND
Serial Range
1000001 - 9999999
Qty
Price
$8.50

Ref No
2
Part Number
31462-Z23-F10
Description
RUBBER, CONTROL PANEL
Serial Range
1000001 - 9999999
Qty
Price
$10.16

Ref No
3
Part Number
31705-Z30-C40
Description
CASE, AUTOMATIC VOLTAGE REGULATOR
Serial Range
1000001 - 9999999
Qty
Price
$4.90

Ref No
4
Part Number
31706-Z30-C40
Description
COLLAR, AUTOMATIC VOLTAGE REGULATOR CASE
Serial Range
1000001 - 9999999
Qty
Price
$5.00

Ref No
5
Part Number
31707-Z30-C40
Description
COVER, AUTOMATIC VOLTAGE REGULATOR
Serial Range
1000001 - 9999999
Qty
Price
$6.06

Ref No
6
Part Number
31720-Z23-F10
Description
CASE ASSY., AUTOMATIC VOLTAGE REGULATOR
Serial Range
1000001 - 9999999
Qty
Price
$402.42

Ref No
8
Part Number
32101-Z23-F20
Description
SUB-WIRE ASSY. (A)
Serial Range
1000001 - 9999999
Qty
Price
$8.10

Ref No
8
Part Number
32101-Z23-F20
Description
SUB-WIRE ASSY. (A)
Serial Range
1000001 - 9999999
Qty
Price
$8.10

Ref No
9
Part Number
32150-Z22-D30
Description
WIRE HARNESS ASSY., CONTROL (EB-AG)
Serial Range
1000001 - 9999999
Qty
Price
$255.36

Ref No
11
Part Number
32330-Z44-J32
Description
RECEPTACLE (20A-125V) (GFCI)
Serial Range
1000001 - 9999999
Qty
Price
$122.70

Ref No
12
Part Number
32334-Z22-A31
Description
RECEPTACLE (30A-125/250V)
Serial Range
1000001 - 9999999
Qty
Price
$105.34

Ref No
13
Part Number
32332-Z22-E31
Description
RECEPTACLE (30A-125V) (LEVITON)
Serial Range
1000001 - 9999999
Qty
Price
$88.16

Ref No
14
Part Number
32345-Z22-D30ZA
Description
PANEL, CONTROL *R280* (EB-AG) (POWER RED)
Serial Range
1000001 - 9999999
Qty
Price
$242.36

Ref No
16
Part Number
32366-Z22-D30
Description
MARK, PANEL (EB-AG)
Serial Range
1000001 - 9999999
Qty
Price
$84.64

Ref No
17
Part Number
32902-892-003
Description
BAND
Serial Range
1000001 - 9999999
Qty
Price
$4.44

Ref No
19
Part Number
35120-Z30-C41
Description
SWITCH ASSY., ENGINE STOP
Serial Range
1000001 - 9999999
Qty
Price
$32.22

Ref No
20
Part Number
35320-Z22-E31
Description
SWITCH ASSY., VOLT CHANGE
Serial Range
1000001 - 9999999
Qty
Price
$106.96

Ref No
21
Part Number
35694-Z23-003
Description
SENSOR ASSY. (CT)
Serial Range
1000001 - 9999999
Qty
Price
$103.30

Ref No
22
Part Number
36214-Z11-A01
Description
SWITCH, AUTO-THROTTLE (OTAX)
Serial Range
1000001 - 9999999
Qty
Price
$24.44

Ref No
23
Part Number
38220-Z23-D33
Description
BREAKER, CIRCUIT (27A)
Serial Range
1000001 - 9999999
Qty
Price
$172.80

Ref No
24
Part Number
38240-Z23-F20
Description
PROTECTOR, CIRCUIT (20A)
Serial Range
1000001 - 9999999
Qty
Price
$93.20

Ref No
27
Part Number
90111-Z22-000
Description
BOLT, HEX. (6X28)
Serial Range
1000001 - 9999999
Qty
Price
$3.22

Ref No
28
Part Number
90112-Z22-000
Description
NUT, HEX. (6MM)
Serial Range
1000001 - 9999999
Qty
Price
$1.32

Ref No
29
Part Number
90128-Z22-C30
Description
BOLT, DISK (8X22) (TORX)
Serial Range
1000001 - 9999999
Qty
Price
$3.78

Ref No
30
Part Number
90501-ZA7-640
Description
RETAINER (6MM)
Serial Range
1000001 - 9999999
Qty
Price
$3.72

Ref No
31
Part Number
90681-763-A01
Description
CLIP, WIRE HARNESS
Serial Range
1000001 - 9999999
Qty
Price
$10.72

Ref No
32
Part Number
91541-S0A-003
Description
CLIP, HARNESS BAND (145MM) (BLACK)
Serial Range
1000001 - 9999999
Qty
Price
$4.84

Ref No
33
Part Number
93500-03005-0G
Description
SCREW, PAN (3X5)
Serial Range
1000001 - 9999999

Ref No
34
Part Number
93911-24120
Description
SCREW, TAPPING (4X10) (PO)
Serial Range
1000001 - 9999999
Qty
Price
$1.10

Ref No
35
Part Number
94050-04000
Description
NUT, FLANGE (4MM)
Serial Range
1000001 - 9999999
Qty
Price
$1.50

Ref No
36
Part Number
94050-06000
Description
NUT, FLANGE (6MM)
Serial Range
1000001 - 9999999

Ref No
36
Part Number
94050-06000
Description
NUT, FLANGE (6MM)
Serial Range
1000001 - 9999999

Ref No
37
Part Number
94101-06800
Description
WASHER, PLAIN (6MM)
Serial Range
1000001 - 9999999
Qty
Price
$0.80

Ref No
38
Part Number
94111-06000
Description
WASHER, SPRING (6MM)
Serial Range
1000001 - 9999999
Qty
Price
$1.14

Ref No
39
Part Number
95701-06010-07
Description
BOLT, FLANGE (6X10)
Serial Range
1000001 - 9999999
Qty
Price
$1.98

Ref No
40
Part Number
95701-06014-00
Description
BOLT, FLANGE (6X14)
Serial Range
1000001 - 9999999
Qty
Price
$1.22

Ref No
41
Part Number
95701-06016-00
Description
BOLT, FLANGE (6X16)
Serial Range
1000001 - 9999999
Qty
Price
$1.98

Ref No
42
Part Number
50361-Z23-F10
Description
COVER (LOWER)
Serial Range
1000001 - 9999999
Qty
Price
$52.34

Ref No
43
Part Number
50362-Z23-F10
Description
LOCK PLATE, COVER (LOWER)
Serial Range
1000001 - 9999999
Qty
Price
$10.22

Ref No
44
Part Number
90163-Z23-F10
Description
BOLT, MAINTENANCE LID LOCK
Serial Range
1000001 - 9999999
Qty
Price
$2.84

Ref No
45
Part Number
90444-397-000
Description
WASHER, WAVE (12MM)
Serial Range
1000001 - 9999999
Qty
Price
$5.42

Ref No
46
Part Number
94050-06000
Description
NUT, FLANGE (6MM)
Serial Range
1000001 - 9999999

Ref No
46
Part Number
94050-06000
Description
NUT, FLANGE (6MM)
Serial Range
1000001 - 9999999

Ref No
48
Part Number
32101-Z23-F20
Description
SUB-WIRE ASSY. (A)
Serial Range
1000001 - 9999999
Qty
Price
$8.10

Ref No
48
Part Number
32101-Z23-F20
Description
SUB-WIRE ASSY. (A)
Serial Range
1000001 - 9999999
Qty
Price
$8.10

Ref No
49
Part Number
32108-Z22-D30
Description
BRACKET, CONNECTOR
Serial Range
1000001 - 9999999
Qty
Price
$7.08

Ref No
50
Part Number
32320-Z37-R50
Description
COVER, RECEPTACLE (30A-125/250V)
Serial Range
1000001 - 9999999
Qty
Price
$18.86

Ref No
51
Part Number
32320-ZS9-W30
Description
COVER, RECEPTACLE (20A-125V)
Serial Range
1000001 - 9999999
Qty
Price
$19.44

Ref No
52
Part Number
32321-ZS9-W30
Description
COVER, RECEPTACLE (30A-125V)
Serial Range
1000001 - 9999999
Qty
Price
$19.42

Ref No
53
Part Number
32347-ZS9-W30
Description
RUBBER, WATERPROOF
Serial Range
1000001 - 9999999
Qty
Price
$4.90

Ref No
54
Part Number
38241-Z23-F20
Description
PROTECTOR, CIRCUIT (30A)
Serial Range
1000001 - 9999999
Qty
Price
$27.04

Ref No
55
Part Number
38242-Z25-A62
Description
COVER, CIRCUIT PROTECTOR
Serial Range
1000001 - 9999999
Qty
Price
$17.78

Ref No
56
Part Number
38530-Z22-D31
Description
LED ASSY., INDICATER
Serial Range
1000001 - 9999999
Qty
Price
$34.98

Ref No
57
Part Number
38540-Z04-J31
Description
RELAY ASSY. (GFCI) (NOT AVAILABLE)
Serial Range
1000001 - 9999999

Ref No
58
Part Number
90013-883-000
Description
BOLT, FLANGE (6X12) (CT200)
Serial Range
1000001 - 9999999

Ref No
59
Part Number
90684-ZA0-601
Description
CLIP, HARNESS
Serial Range
1000001 - 9999999
Qty
Price
$4.28

Ref No
60
Part Number
32903-Z22-000
Description
TIE, CABLE (C)
Serial Range
1000001 - 9999999
Qty
Price
$2.24