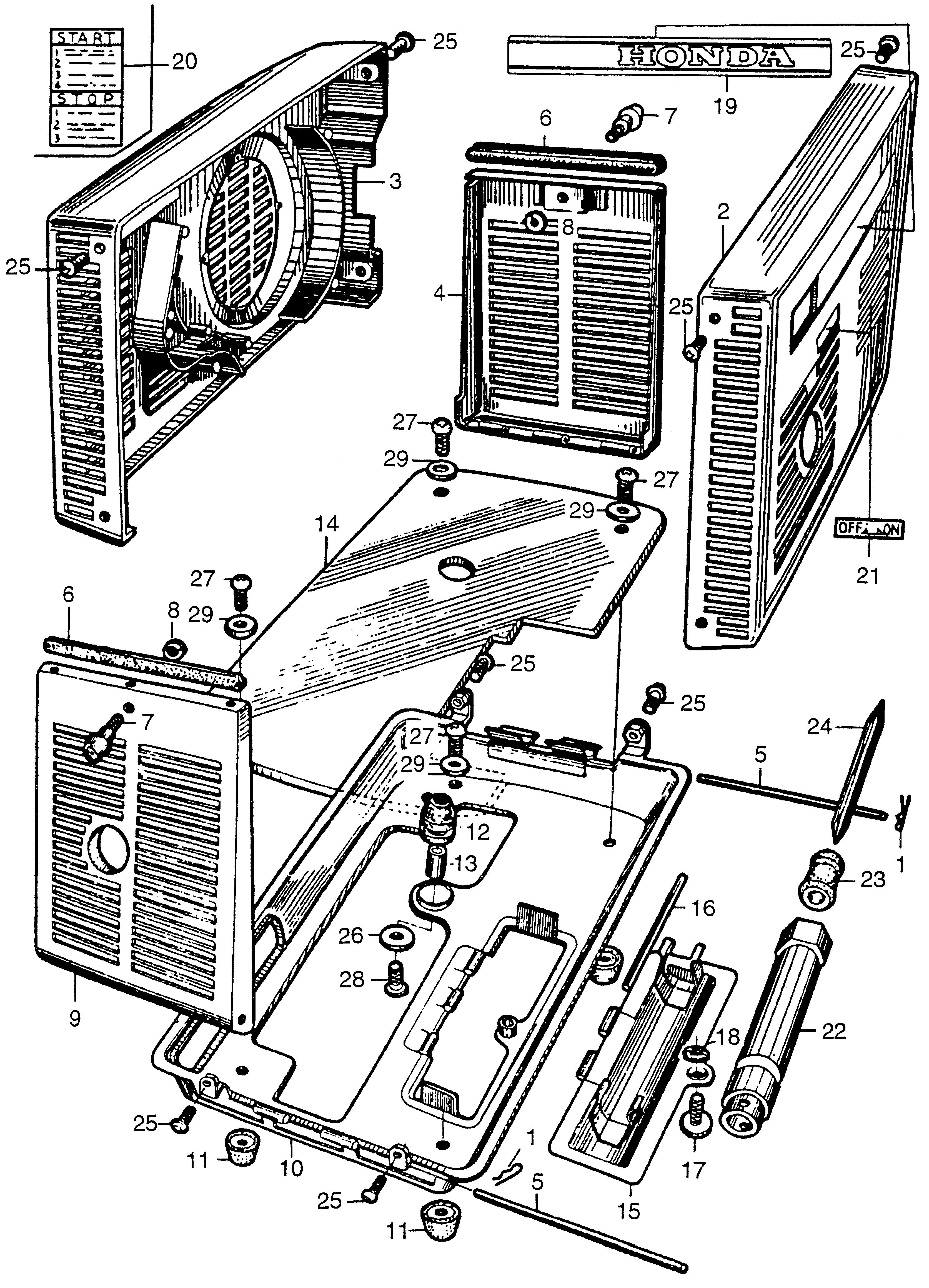
Generators E E40 E40 A GE40-10001-9999999 COVER@TOOLS - Blue Mountain Small Engine & Repair

Ref No
Part Number
Description
Serial Range
Qty
Price

Ref No
1
Part Number
17669-800-000
Description
PIN, SNAP (3MM) (NOT AVAILABLE)
Serial Range
1000001 - 9999999

Ref No
2
Part Number
63311-801-000
Description
COVER A, SIDE (NOT AVAILABLE)
Serial Range
1000001 - 9999999

Ref No
3
Part Number
63410-801-000
Description
COVER B, SIDE (NOT AVAILABLE)
Serial Range
1000001 - 9999999

Ref No
4
Part Number
63511-801-010T
Description
PLATE A, SIDE *NH2M* (METALLIC SILVER) (NOT AVAILABLE)
Serial Range
1000001 - 9999999

Ref No
5
Part Number
63551-801-000
Description
SHAFT, SIDE PLATE HINGE (NOT AVAILABLE)
Serial Range
1000001 - 9999999

Ref No
6
Part Number
63571-801-010
Description
RUBBER, TANK SEAL (NOT AVAILABLE)
Serial Range
1000001 - 9999999

Ref No
7
Part Number
63581-801-000
Description
LATCH, SIDE PLATE (NOT AVAILABLE)
Serial Range
1000001 - 9999999

Ref No
8
Part Number
63588-801-000
Description
STOPPER, LATCH (NOT AVAILABLE)
Serial Range
1000001 - 9999999

Ref No
9
Part Number
63611-801-010
Description
PLATE B, SIDE (NOT AVAILABLE)
Serial Range
1000001 - 9999999

Ref No
10
Part Number
63710-801-000
Description
PLATE (LOWER) (NOT AVAILABLE)
Serial Range
1000001 - 9999999

Ref No
11
Part Number
63770-801-000
Description
RUBBER (LOWER) (NOT AVAILABLE)
Serial Range
1000001 - 9999999

Ref No
12
Part Number
63772-801-000
Description
RUBBER, PLATE SETTING (LOWER) (NOT AVAILABLE)
Serial Range
1000001 - 9999999

Ref No
13
Part Number
63773-801-000
Description
COLLAR, PLATE SETTING (LOWER) (NOT AVAILABLE)
Serial Range
1000001 - 9999999

Ref No
14
Part Number
63811-801-000
Description
PLATE, SEPARATE (NOT AVAILABLE)
Serial Range
1000001 - 9999999
Qty
Price
$32.96

Ref No
15
Part Number
83111-814-000
Description
COVER, TOOL (NOT AVAILABLE)
Serial Range
1000001 - 9999999

Ref No
16
Part Number
83141-801-000
Description
SHAFT, TOOL COVER (NOT AVAILABLE)
Serial Range
1000001 - 9999999

Ref No
17
Part Number
83142-801-000
Description
BOLT, TOOL COVER HINGE (NOT AVAILABLE)
Serial Range
1000001 - 9999999

Ref No
18
Part Number
91301-MC0-000
Description
O-RING (3.6X1.4) (NOT AVAILABLE)
Serial Range
1000001 - 9999999

Ref No
19
Part Number
87101-801-000
Description
MARK, TOP (NOT AVAILABLE)
Serial Range
1000001 - 9999999

Ref No
20
Part Number
87521-801-600
Description
PLATE, CAUTION (NOT AVAILABLE)
Serial Range
1000001 - 9999999

Ref No
21
Part Number
87401-801-000
Description
MARK, VALVE LEVER (NOT AVAILABLE)
Serial Range
1000001 - 9999999

Ref No
22
Part Number
89216-800-000
Description
WRENCH, PLUG (NOT AVAILABLE)
Serial Range
1000001 - 9999999

Ref No
23
Part Number
89218-800-000
Description
RUBBER, FRICTION (NOT AVAILABLE)
Serial Range
1000001 - 9999999

Ref No
24
Part Number
89221-800-000
Description
SCREWDRIVER (NOT AVAILABLE)
Serial Range
1000001 - 9999999

Ref No
25
Part Number
90193-801-000
Description
SCREW, SIDE COVER SETTING (NOT AVAILABLE)
Serial Range
1000001 - 9999999

Ref No
26
Part Number
90483-041-000
Description
WASHER, STOPPER
Serial Range
1000001 - 9999999
Qty
Price
$2.34

Ref No
27
Part Number
93500-04008-0A
Description
SCREW, PAN (4X8)
Serial Range
1000001 - 9999999
Qty
Price
$1.06

Ref No
28
Part Number
93500-05025-0A
Description
SCREW, PAN (5X25)
Serial Range
1000001 - 9999999
Qty
Price
$1.14

Ref No
29
Part Number
94101-04000
Description
WASHER, PLAIN (4MM)
Serial Range
1000001 - 9999999
Qty
Price
$1.20