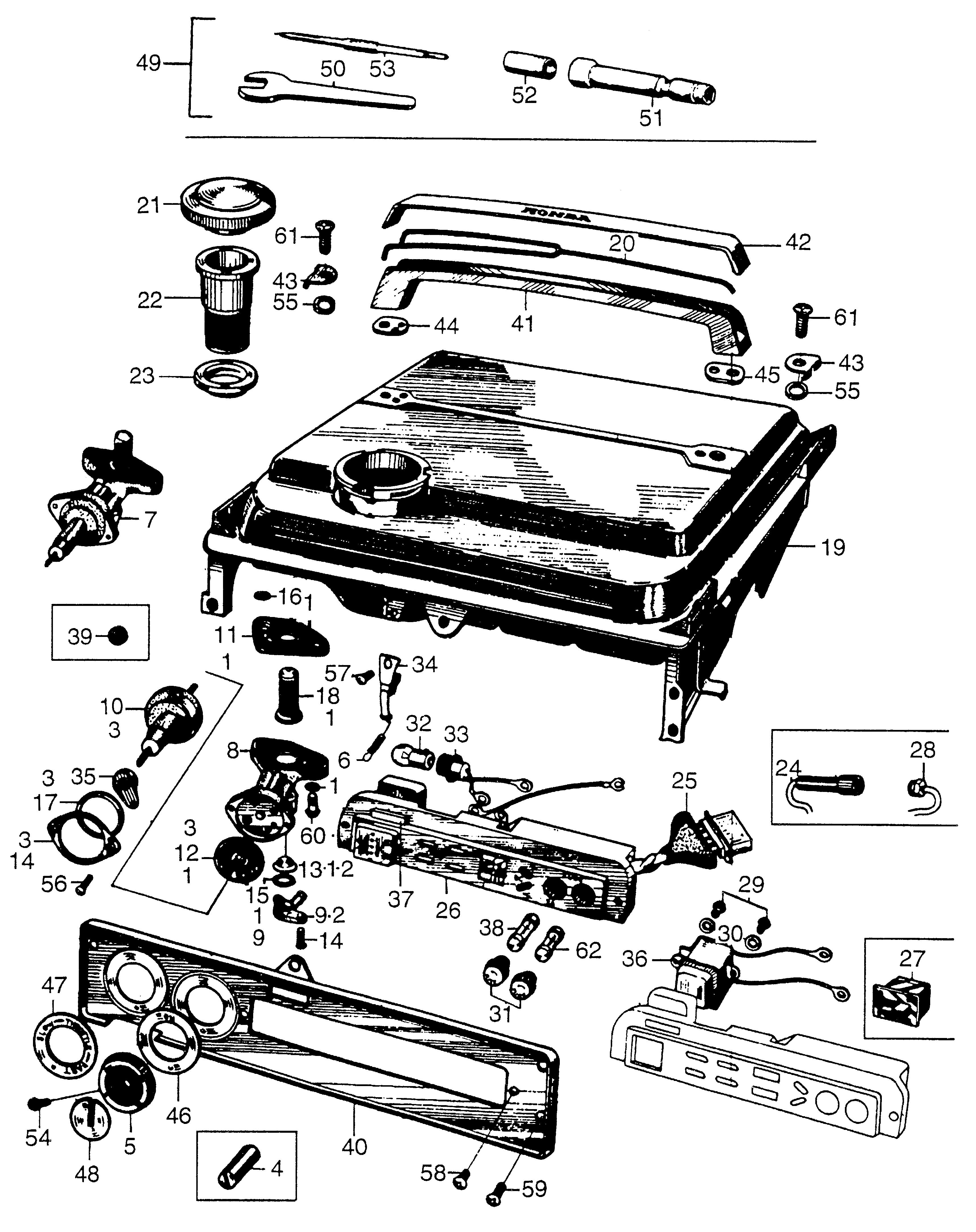
Generators E E300 E300K1 A GE300-1106001-1281362 FUEL TANK@PANEL - Blue Mountain Small Engine & Repair

Ref No
Part Number
Description
Serial Range
Qty
Price

Ref No
5
Part Number
16564-812-020
Description
KNOB, CONTROL (NOT AVAILABLE)
Serial Range
1026557 - 9999999

Ref No
6
Part Number
16913-703-000
Description
GASKET, STRAINER SETTING (NOT AVAILABLE)
Serial Range
1000001 - 2025090

Ref No
7
Part Number
16950-836-015
Description
PETCOCK ASSY. (NOT AVAILABLE)
Serial Range
1026557 - 9999999

Ref No
8
Part Number
16951-836-004
Description
BODY, PETCOCK
Serial Range
1000001 - 9999999

Ref No
9
Part Number
16956-812-010
Description
CAP, PETCOCK (NOT AVAILABLE)
Serial Range
1000001 - 2039313

Ref No
10
Part Number
16957-812-010
Description
LEVER, VALVE (NOT AVAILABLE)
Serial Range
1026557 - 2000000

Ref No
11
Part Number
16958-812-004
Description
GASKET A, PETCOCK (NOT AVAILABLE)
Serial Range
1000001 - 2039313

Ref No
12
Part Number
16960-812-004
Description
GASKET, VALVE
Serial Range
1000001 - 2039313
Qty
Price
$6.12

Ref No
13
Part Number
16962-812-004
Description
FILTER, CHECK (NOT AVAILABLE)
Serial Range
1000001 - 2039313

Ref No
14
Part Number
16964-812-000
Description
PLATE, LEVER (NOT AVAILABLE)
Serial Range
1000001 - 2039313

Ref No
15
Part Number
16966-812-004
Description
GASKET, O-TYPE (NOT AVAILABLE)
Serial Range
1000001 - 2039313

Ref No
16
Part Number
16968-812-000
Description
COLLAR, LEVER GASKET (NOT AVAILABLE)
Serial Range
1000001 - 2039313

Ref No
17
Part Number
16975-805-000
Description
SPRING, PETCOCK LEVER (NOT AVAILABLE)
Serial Range
1000001 - 203913

Ref No
18
Part Number
16981-836-700
Description
FILTER, CHECK (NOT AVAILABLE)
Serial Range
1000001 - 2039313

Ref No
19
Part Number
17500-836-020T
Description
TANK, FUEL *NH2M* (METALLIC SILVER) (NOT AVAILABLE)
Serial Range
1000001 - 9999999

Ref No
20
Part Number
17601-812-010
Description
TUBE, HANDLE BREATHER (NOT AVAILABLE)
Serial Range
1000001 - 9999999

Ref No
21
Part Number
17650-801-020
Description
CAP, TANK
Serial Range
1000001 - 9999999

Ref No
22
Part Number
17672-812-000
Description
FILTER, FUEL
Serial Range
1000001 - 9999999

Ref No
23
Part Number
17673-836-000
Description
RUBBER, FILTER (NOT AVAILABLE)
Serial Range
1000001 - 9999999

Ref No
25
Part Number
32114-812-000
Description
COVER, WIRE HARNESS CONNECTOR
Serial Range
1000001 - 9999999

Ref No
26
Part Number
32340-836-013
Description
RECEPTACLE ASSY., SWITCH (NOT AVAILABLE)
Serial Range
1106001 - 2000000

Ref No
26
Part Number
32345-836-013
Description
RECEPTACLE, SWITCH
Serial Range
1000001 - 9999999

Ref No
29
Part Number
93500-03010-0A
Description
SCREW, PAN (3X10)
Serial Range
1000001 - 9999999
Qty
Price
$0.96

Ref No
30
Part Number
94111-03000
Description
WASHER, SPRING (3MM)
Serial Range
1000001 - 9999999
Qty
Price
$1.14

Ref No
31
Part Number
32347-836-003
Description
HOLDER, FUSE (NOT AVAILABLE)
Serial Range
1106001 - 2000000

Ref No
32
Part Number
34902-202-000
Description
BULB, DASH (6V 3W)
Serial Range
1011455 - 9999999

Ref No
34
Part Number
36100-836-005
Description
SWITCH ASSY., ENGINE (NOT AVAILABLE)
Serial Range
1000001 - 1240000

Ref No
35
Part Number
36141-812-000
Description
ARM, SWITCH (NOT AVAILABLE)
Serial Range
1240001 - 9999999

Ref No
36
Part Number
37500-836-153
Description
METER, FREQUENCY
Serial Range
1106001 - 9999999

Ref No
37
Part Number
37901-836-003
Description
LENS, LAMP
Serial Range
1106001 - 9999999

Ref No
38
Part Number
38218-812-010
Description
FUSE (3A)
Serial Range
1106001 - 9999999

Ref No
39
Part Number
63371-812-010
Description
RUBBER, GUIDE (NOT AVAILABLE)
Serial Range
1099384 - 9999999

Ref No
40
Part Number
66211-812-010
Description
PANEL, FR.
Serial Range
1000001 - 1005679

Ref No
40
Part Number
66211-836-000T
Description
PANEL, FR. *NH2M* (METALLIC SILVER) (NOT AVAILABLE)
Serial Range
1106001 - 9999999

Ref No
41
Part Number
68110-812-020
Description
HANDLE, CARRY (NOT AVAILABLE)
Serial Range
1000001 - 9999999

Ref No
42
Part Number
68121-812-000
Description
COVER, HANDLE (NOT AVAILABLE)
Serial Range
1000001 - 9999999

Ref No
43
Part Number
68125-812-000
Description
HOOK, HANDLE COVER
Serial Range
1000001 - 9999999

Ref No
44
Part Number
68141-812-010
Description
GASKET A, HANDLE (NOT AVAILABLE)
Serial Range
1000001 - 9999999

Ref No
45
Part Number
68142-812-000
Description
GASKET B, HANDLE (NOT AVAILABLE)
Serial Range
1000001 - 9999999

Ref No
46
Part Number
87531-836-000
Description
MARK, VALVE KNOB (NOT AVAILABLE)
Serial Range
1106001 - 9999999

Ref No
47
Part Number
87532-836-000
Description
MARK, THROTTLE KNOB (NOT AVAILABLE)
Serial Range
1000001 - 9999999

Ref No
48
Part Number
87533-812-000
Description
MARK, CONTROL KNOB (NOT AVAILABLE)
Serial Range
1026441 - 9999999

Ref No
50
Part Number
89203-836-000
Description
SPANNER (8MM) (NOT AVAILABLE)
Serial Range
1000001 - 9999999

Ref No
51
Part Number
89216-812-010
Description
WRENCH, SPARK PLUG (NOT AVAILABLE)
Serial Range
1000001 - 9999999

Ref No
51
Part Number
89216-812-010
Description
WRENCH, SPARK PLUG (NOT AVAILABLE)
Serial Range
1000001 - 9999999

Ref No
52
Part Number
89218-812-000
Description
RUBBER, FRICTION (NOT AVAILABLE)
Serial Range
1000001 - 9999999

Ref No
53
Part Number
89221-812-000
Description
SCREWDRIVER
Serial Range
1000001 - 9999999

Ref No
54
Part Number
90192-801-010
Description
SCREW, STOP (3MM) (NOT AVAILABLE)
Serial Range
1026557 - 9999999

Ref No
55
Part Number
91301-801-000
Description
O-RING (5X1.5) (NOT AVAILABLE)
Serial Range
1000001 - 9999999

Ref No
56
Part Number
93500-03006-0B
Description
SCREW, PAN (3X6) (NOT AVAILABLE)
Serial Range
1000001 - 9999999

Ref No
56
Part Number
93500-03006-0B
Description
SCREW, PAN (3X6) (NOT AVAILABLE)
Serial Range
1000001 - 1106000

Ref No
57
Part Number
93500-03006-0A
Description
SCREW, PAN (3X6)
Serial Range
1000001 - 9999999
Qty
Price
$1.10

Ref No
57
Part Number
93500-03006-0A
Description
SCREW, PAN (3X6)
Serial Range
1106001 - 9999999
Qty
Price
$1.10

Ref No
58
Part Number
93500-04008-0B
Description
SCREW, PAN (4X8) (NOT AVAILABLE)
Serial Range
1106001 - 2035556

Ref No
59
Part Number
93500-05010-0A
Description
SCREW, PAN (5X10)
Serial Range
1000001 - 9999999
Qty
Price
$1.10

Ref No
60
Part Number
93500-06016-0A
Description
SCREW, PAN (6X16)
Serial Range
1000001 - 9999999
Qty
Price
$1.40

Ref No
61
Part Number
93500-06020-0A
Description
SCREW, PAN (6X20)
Serial Range
1000001 - 9999999
Qty
Price
$1.24

Ref No
62
Part Number
98200-11000
Description
FUSE A (10A)
Serial Range
1000001 - 9999999
Qty
Price
$2.20