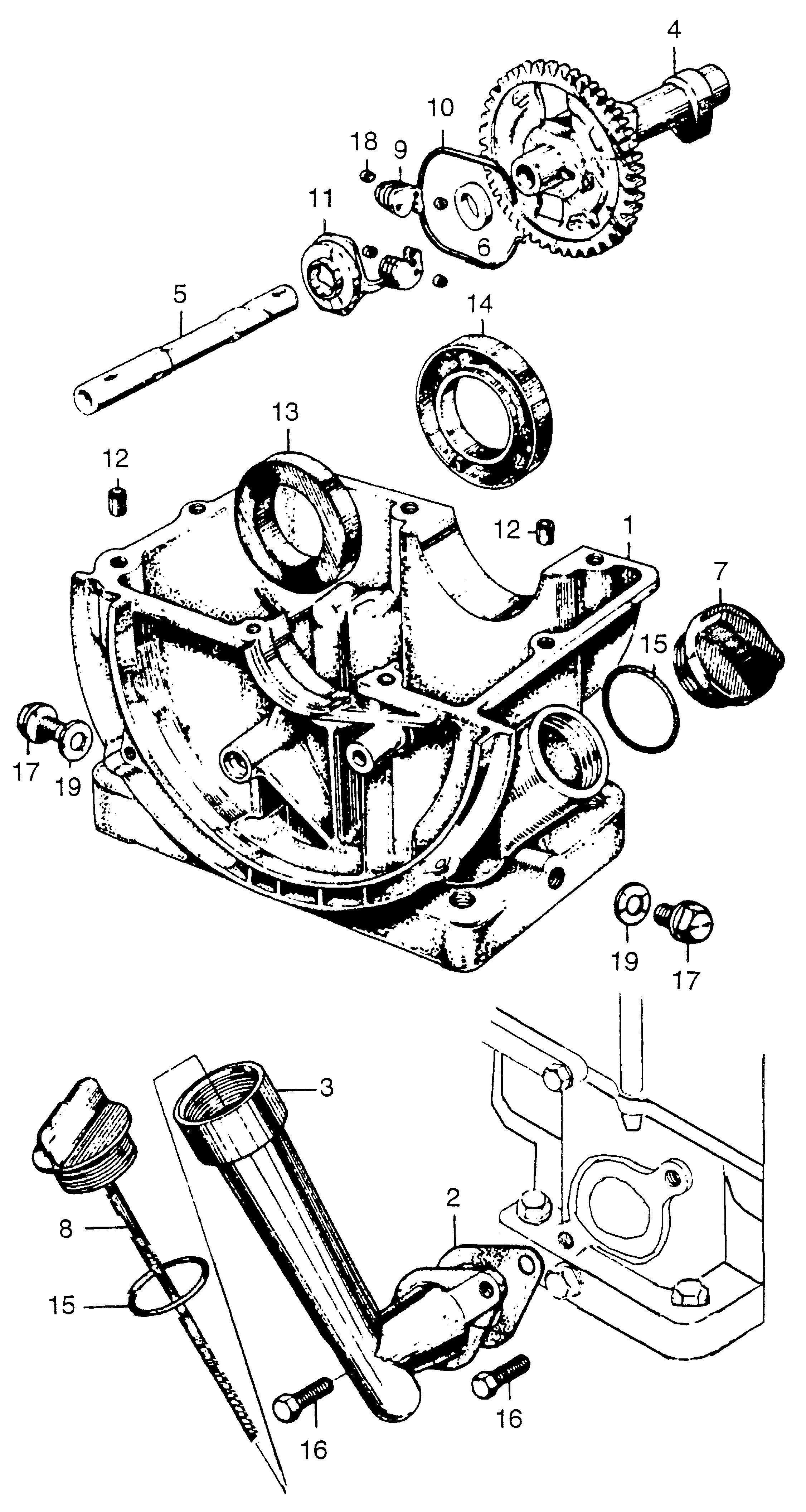
Generators E E1500 E1500K1 A E1500-1171001-1191630 CAMSHAFT@OIL PAN - Blue Mountain Small Engine & Repair

Ref No
Part Number
Description
Serial Range
Qty
Price

Ref No
1
Part Number
11200-865-000
Description
PAN, OIL
Serial Range
1000001 - 9999999

Ref No
2
Part Number
11211-822-000
Description
GASKET, OIL PAN HOLE COVER (NOT AVAILABLE)
Serial Range
1000001 - 9999999

Ref No
3
Part Number
11220-815-000
Description
PIPE, OIL (NOT AVAILABLE)
Serial Range
1000001 - 9999999

Ref No
4
Part Number
14101-865-010
Description
CAMSHAFT (NOT AVAILABLE)
Serial Range
1000001 - 9999999

Ref No
5
Part Number
14210-822-020
Description
CENTER, CAMSHAFT (NOT AVAILABLE)
Serial Range
1000001 - 9999999

Ref No
6
Part Number
14213-822-000
Description
COLLAR, CAMSHAFT (NOT AVAILABLE)
Serial Range
1000001 - 9999999

Ref No
7
Part Number
15611-921-000
Description
CAP, OIL (YELLOW)
Serial Range
1000001 - 9999999
Qty
Price
$13.48

Ref No
8
Part Number
15620-815-000
Description
CAP, OIL (NOT AVAILABLE)
Serial Range
1000001 - 9999999
Qty
Price
$18.24

Ref No
9
Part Number
16511-805-000
Description
WEIGHT, GOVERNOR (NOT AVAILABLE)
Serial Range
1000001 - 9999999

Ref No
10
Part Number
16515-805-000
Description
CENTER, GOVERNOR WEIGHT (NOT AVAILABLE)
Serial Range
1000001 - 9999999

Ref No
11
Part Number
16521-822-010
Description
SLIDER, GOVERNOR (NOT AVAILABLE)
Serial Range
1000001 - 9999999

Ref No
12
Part Number
90701-200-000
Description
PIN, KNOCK (8.5X11) (NOT AVAILABLE)
Serial Range
1000001 - 9999999

Ref No
13
Part Number
91201-822-003
Description
OIL SEAL (PJ20528)
Serial Range
1000001 - 9999999
Qty
Price
$18.34

Ref No
14
Part Number
91204-805-003
Description
OIL SEAL (30X65X10) (NOT AVAILABLE)
Serial Range
1000001 - 9999999

Ref No
15
Part Number
91301-805-000
Description
O-RING (26X2.7)
Serial Range
1000001 - 9999999
Qty
Price
$4.86

Ref No
16
Part Number
92101-06016-0A
Description
BOLT, HEX. (6X16)
Serial Range
1000001 - 9999999
Qty
Price
$1.78

Ref No
17
Part Number
92800-12000
Description
BOLT, DRAIN PLUG (12MM)
Serial Range
1000001 - 9999999
Qty
Price
$4.72

Ref No
18
Part Number
94101-03000
Description
WASHER, PLAIN (3MM)
Serial Range
1000001 - 9999999
Qty
Price
$0.80

Ref No
19
Part Number
94109-12000
Description
WASHER, DRAIN PLUG (12MM)
Serial Range
1000001 - 9999999
Qty
Price
$1.50